Products
SZGH-06020DC is 200W servo motor, 3000 rpm,it is low cost , and very general-purpose type. Imported feedback components, original imported low-noise motor .

Mini AC Servo Motor 200W 0.64Nm 3000rpm


SZGH-06020DC is 200W servo motor, 3000 rpm,it is low cost , and very general-purpose type. Imported feedback components, original imported low-noise motor .
Send Inquiry

Mini AC Servo Motor 200W 0.64Nm 3000rpm AC Servo Motor And Motor Driver For Machine Matched CNC Controller

Hbd61397a57ea4b18a247b7a84f515431p

Features

GH-06020DC is 200W servo motor, 3000 rpm, usually applied in lots of high speed equipment, such as: sewing machinery, all kind of CNC equipment.

There is a type servo driver, GH-SD2004, which matching for 200W servo motor.


Application

CNC Machinery,printing equipment, packaging equipment, textile equipment, laser processing equipment,robotics, automated production lines, such as processing precision, processing efficiency and reliability, and other requirements of the relatively high equipment.



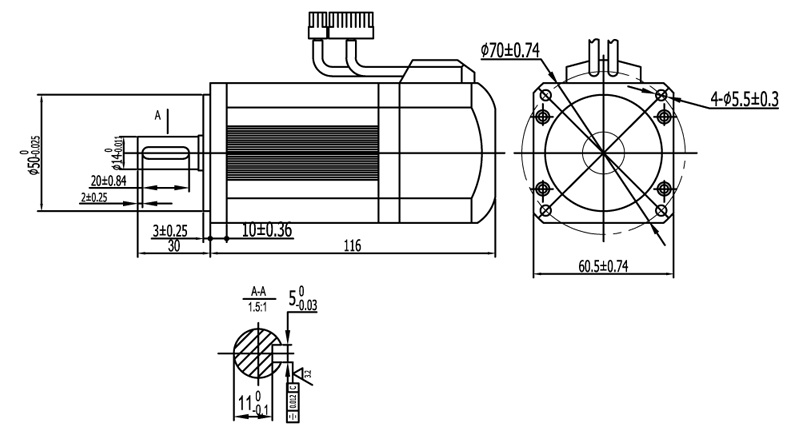
Motor ModelSZGH-06020DC
Rated Power(W)200
Rated Voltage(V)220
Rated Crrent(A)1.2
Rated Speed(RPM)3000
Rated Torque(NM)0.637
Peak Torque(NM)1.91
Voltage Constantv10r/min30.9
Torque Coefficient(NM/A)0.53
Rotor Inertia(Kg.m²)0.175*10
Line-Line Resistance(Ω)6.18
Line-Line Inductance(mH)29.3
Machanical Time-Constant(Ms)4.74
Encoder Resolution(PPR)2500
Insulation ClassClass B
Safety ClassIP65
The Operating of Evironmental ConditionTemperature:-20℃~+45℃ Humidity Below 90%RH(No drawing)
Weight(KG)1.16

8(001)

9(001)

10

11

_20210817162726

_20210817162726

H6aada374ce7d45d883021e74cc0b9923f

]BVIN0(GRPITID%ZGU37~R5

_20210813174452


FAQ

Q:What is a servo motor used for?

A:In modern cars, servo motors are used to control its speed. When stepping on the gas pedal, it sends electrical signals to the car's computer. The computer then processes that information and sends a signal to the servo attached to the throttle to adjust the engine speed.

Q: May I know what’s the nearest airport from your company?

A: First Shenzhen Airport, then Guangzhou or Huizhou airport, welcome to visit us.

Q: When can I get the quotation?

A: We usually quote within 3 hours after we get your inquiry. If you are very urgent to get the price, please tell us so that we will regard your inquiry priority.

Q: What about the lead time for mass production?

A: 6-8 working days for mass production. It depends on your quantity, and we will try our best to meet your needs.

Q: Can we use our own logo?

A: Yes, we can print your private logo according to your request.


If you have any other questions about our Mini AC Servo Motor 200W 0.64Nm 3000rpm, pls feel free to contact us as below!


Send Inquiry